Email: sales@baputitrailer.com    |       Whatsapp: +86-15165010357
LPG tanker trailer buying guide– Learn tankers structure, designs, specifications and operation
Home » News » LPG tanker trailer buying guide– Learn tankers structure, designs, specifications and operation

LPG tanker trailer buying guide– Learn tankers structure, designs, specifications and operation

China BAPUTI trailer produce LPG Tanker Semi Trailer in cylindrical and gooseneck cross sections suitable for transportation of all UN-Codes LPG substances in accordance with ADR Class-2, gravity and pump-driven discharge with pressure vessel steel quality and thickness determined according to different pressure and temperature calculations as well as to our customers' technical requirement.

lpg tanker trailer for sale

Any various LPG products can be carried with LPG Tanker Trailer. BAPUTI Trailer produce different types of LPG Tanker trailer lile as two axle, three axle,four axle LPG tanker Trailer.

LPG Tanker trailer size and volume can be produced according to the customer requests.BAPUTI Trailer produce LPG Tanker Trailer between 20 Cbm to 75 Cbm with hydrostatic test and TUV Inspection as per customer requests.

1.What is a LPG trailer?

LPG is a petroleum product, a colorless, volatile gas produced from oil and gas field extraction, refineries and ethylene plants, mainly used in the automotive, city gas, non-ferrous metal smelting and metal cutting pass industries.

LPG transporter, a kind of pressure vessel. A LPG gas tanker trailer is designed to transport a variety of liquified gases including: liquid ammonia, propane, propylene, dimethyl ether, isobutat, and butadiene.

2. Structure and function of LPG tanker trailer

LPG tanker trailer is composed of tank body, safety valves, running gear, operation boxes, safety accessories.

LPG semi trailer

LPG Gas Tanker Trailer For Sale

Safety accessories include: emergency cut-off device, safety valve, liquid level gauge, thermometer, pressure gauge, loading and unloading valve, etc.

Custom cabinetry available for the enclosure of pump, meters, valves as desired, including insulated cabinets

  • Hydraulic pump drives

  • Air ride suspension

  • Brake interlock systems

  • Air-operated internal valves

  • Stainless steel undercarriage

  • Lift axle

  • Custom paint

(1) Running mechanism

Running mechanism is the main component of the tanker, it plays the role of bearing the load and traveling.

(2)Tank body

The tank body is the main part of the whole vehicle, it is a steel pressure vessel that bears internal pressure, and is safe and reliable when used under the specified operating temperature and filling volume.

The tank body is composed of cylindrical cylinder, standard head, waveproof plate and bar support and other parts. The tank body is equipped with safety valve port, gas phase port, liquid phase port, pressure gauge port, thermometer port, liquid level gauge port and manhole.

The material of the cylinder head is Q345R, which is welded automatically on both sides. The butt joints are 100% ray tested, all the fillet welds are qualified by 100% magnetic particle testing, the overall heat treatment in the furnace, and the tank body after heat treatment is hydrostatically tested according to 1.5 times of the design pressure of the tank body. After the semi-trailer is assembled, the tank with other accessories and piping together with the design pressure of the tank for gas-tight test to ensure the sealing performance of all parts.

(3)Pipeline

The tanker generally has two sets of piping, gas-phase piping and liquid-phase piping, and the piping is pressure tested after the welding is completed.

(4)Safety accessories for tanker

The safety accessories used in the tanker include: relief device, emergency cut-off device, pressure measuring device, liquid level measuring device, temperature measuring device, conductive device, flame arrestor, etc.

3.Technical Specification

gas tanker trailer

(1)Tanker Essential Information

Product medium: LPG, Butane , Propane

Fluid property: flammable

Design temperature : to 50℃

Design pressure: 1.61MPa

Corrosion allowance: 1.0mm

(2)Major materials of bearing pressure

Tanker body : Q345R , 12mm

End plate : Q345R , 14mm

Main Beam : Q345B

Compartments: One

Baffle inside the tank: 14-off Aluminium bolted plate , thickness is 5mm

Shape:Cylindrical ; Ellipse head

(3)Detection

Heat treatment: Overall heat treatment in a furnace , 500℃ to 560℃

Flaw detection: 100% Flaw detection

Hydro static test: 2.66MPa

Magnaflux: Aim at welding place flaw detection can not cover

Manhole : 1,On top

Safety Valve: Two,On the top of tanker

Liquid meter: 1,On left side of tanker

(4)Running System

Axles :13 TON FUWA Axles , 3 pieces

Suspension system: FUWA Air bag suspension

Tyre: 12R22.5, 12 pieces,Triangle brand

Kingpin: JOST 2",bolt on

Landing legs: FUWA 28ton landing legs

Electronic System: 24V 7-pin socket,LED Lamp

(5)Accessories

Tool box,Wheel carrier,Fire extinguisher,Static conductive belt,Plastic fender

4.The LPG tanker operation

(1) before the tanker enters the loading/unloading area, its grounding strap should be lifted and fire cap should be put on.

(2) park the tanker in the designated safe operating location, extinguish the engine and brake the tanker with the hand brake.

(3) connect the tanker to the grounding wire of the above-ground charging station (or unloading point).

(4) open the release valve and bleed off the residual gas.

(5) open the ball valve end quick release fitting cover and close the release valve immediately.

(6) connect the loading and unloading lines between the tanker and the supply station (or discharge point).

(7) slowly open the tanker emergency shut-off valve again.

(8) slowly open the gas phase and liquid phase ball valves, while observing whether the parts and pressure gauge, thermometer and liquid level gauge work normally.

(9) if the ball valve opens too large during loading and unloading and causes the emergency shut-off valve to close on its own, the ball valve should be closed after a short wait, and then start to open the ball valve slowly.

(10) pay attention to the thermometer, pressure gauge, especially the liquid level gauge changes at any time during the loading and unloading process, overloading is strictly prohibited, and there should be more than 0.1MPa of residual pressure in the tank when unloading.

(11) close the emergency shut-off valve first and then the ball valve after the loading and unloading operation is completed.

(12) open the release valve, remove the residual medium, remove the loading and unloading pipeline, install the joint cover, and close the release valve.

(13) put away the ground wire and lock the accessory box.

(14) After the tanker leaves the loading and unloading area, put down the grounding strap and remove the fire cap.

5.LPG tanker emergency treatment after an accident

(1) When a large amount of medium is leaked due to pipeline dislodgement, breakage or rupture in the loading and unloading operation, the accident valve at the rear of the tanker should be reversed immediately, the emergency shut-off valve should be closed, all fires should be prohibited, the scene should be guarded and emergency treatment should be conducted.

(2) If a fire occurs, the emergency shut-off valve should be closed first, suspend the operation, and use the fire extinguisher with the car, and quickly drive the tanker out of the fire.

(3) If the safety valve does not return to the seat after jumping, should quickly unload the media in the tank, the safety valve for maintenance or replacement.

6.China BAPUTI brand LPG tanker trailer technical features

  • All accessories adopt famous brand; safety valve, pressure gauge, thermometer should have product certificate and need to be calibrated before assembly.

  • When assembling the tank body and the rear walking mechanism, the deviation of the longitudinal centerline of the tank body is required to be no more than 5 mm.

  • The specific position size of the connecting lug can be finely adjusted according to the chassis structure. Connecting ears, legs, traction seat and tank pad welding should do 100% magnetic particle testing, according to NB/T47013.4-2015, a standard pass.

  • When the tank does the water pressure test, the frame beam should be supported before the test to prevent the frame from being overloaded.

  • The container needs to be nitrogen replacement or vacuum treatment before leaving the factory.

    (1) When using nitrogen replacement treatment, the oxygen content after treatment is less than 3%, and retain the residual pressure of 0.5Mpa-0.1Mpa.

    (2) When using vacuum treatment, the vacuum level after treatment is not less than 0.086Mpa.

  • The maximum speed of vehicles transporting dangerous goods is 60km/h on general roads, and 80ktn/h on highways.

  • Add more than 0.2% of water in the filling medium as a retardant, used as an auxiliary measure to prevent stress corrosion.

  • Frame shape, size, wheelbase, rear overhang as shown in the design, air suspension can be selected.

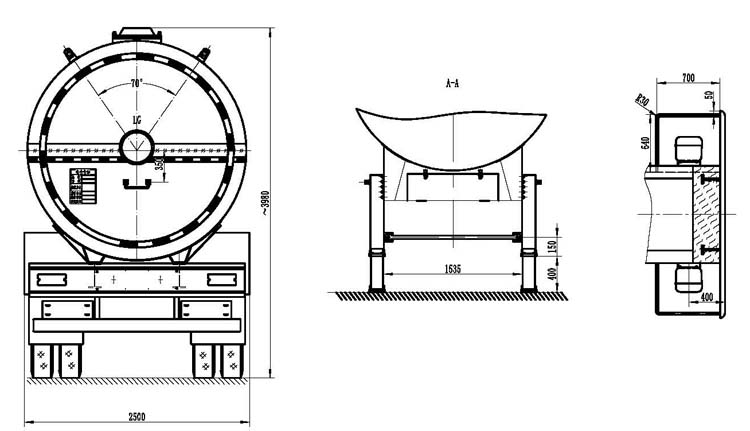
LPG tanker design drawing

gas tanker trailer design drawing

Get A Quote
Product Inquiry

Quick Links

Product Category

Contact Us

Lixia District,Jinan City,Shandong Province
  +86-15165010357
Copyright © 2022 Shandong Baputi Co., Ltd. All rights reserved.   Sitemap    Privacy Policy